
адрес: г. Москва, проспект Мира, д.102 стр.34 (м. Рижская)
Клапан запорный газовый с электромагнитным приводом, высокого давления КЗГЭМ-ВД, КПЭГ-М

Назначение изделия
Клапан запорный газовый с электромагнитным приводом на высокое давление
Взвод клапана осуществляется вручную. Срабатывание клапана происходит при прекращении подачи электропитания на электромагнит.
Напряжение питания электромагнита ~220 В, 50 Гц. В составе клапана имеется датчик состояния (открыт/закрыт).
Клапан
| КЗГЭМ-ВД-50 | КЗГЭМ-ВД-100 | |||
|---|---|---|---|---|
| Регулируемая среда |
природный газ по
|
|||
| Максимальное рабочее давление на входе, МПа | 1,2 | 1,2 | ||
| Диаметр условного прохода Ду, мм | 50 | 100 | ||
| Тип соединения |
фланцевое по
|
|||
| Межцентровое расстояние крепежных отверстий фланца (D), мм | 125 | 180 | ||
| Диаметр крепежных отверстий фланца клапана (d), мм | 18 | 18 | ||
| Класс герметичности | В | В | ||
| Напряжение питания переменного тока частотой (50±1) Гц, В | 220 | 220 | ||
| Потребляемая мощность, ВА, не более | 10 | 10 | ||
| Время срабатывания клапанов, с, не более | 1 | 1 | ||
| Габаритные размеры, мм | 240×215×350 | 360×258×455 | ||
| Масса, кг, не более | 8,5 | 18 | ||
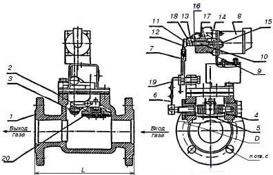
Клапан имеет (см. рисунок) корпус 1 с седлом, которое перекрывается клапаном 2 с резиновым уплотнителем 20, закрепленным на оси 3. На конце оси, выходящей наружу, жестко закреплен рычаг 6, который зацеплен с рычагом 7. На корпусе 1 закреплен электропривод, состоящий из электромагнита 8 с корпусом 9, в котором расположен шток 10 с втулкой 11.
Корпус электромагнита 9 оснащен фиксатором, расположенным на оси 17. Фиксатор служит для удержания клапана в открытом состоянии во время технологической подготовки оборудования. Подаваемый к клапану газ проходит через входной патрубок к выходному, если к электромагниту 8 подается соответствующее данному исполнению напряжение.
При прекращении подачи напряжения на электромагнит происходит перемещение втулки 11 под действием пружины 13. Упор 12, установленный на рычаге 7, выходит из зацепления с втулкой 11, освобождая связанные между собой рычаги 6 и 7, дает возможность оси 3 повернуться.
Усилие от пружин 4 и 5 передается клапану 2. Клапан 2 закрывает проход газа.

Клапан запорный газовый с электромагнитным приводом, высокого давления
1 — корпус; 2 — клапан; 3 — ось; 4, 5 — пружины; 6, 7 — рычаги; 8 — электромагнит; 9 — корпус электромагнита; 10 — шток; 11 — втулка; 12 — упор; 13, 14 — пружины; 15 — штифт; 16 — фиксатор; 17 — ось; 18 — винт; 19 — скоба; 20 — резиновый уплотнитель
Завершена разработка проекта реконструкции пароводяной котельной "АО "ОКБ" "КРИСТАЛЛ", г. Москва, проезд Энтузиастов, д.15".
Общая тепловая мощность газопотребляющего оборудования составляет 19,0 МВт (16,34 Гкал/час).
Получено положительное заключение экспертизы проектной документации.
Завершена разработка рабочей документации котельной мощностью 55МВт 5й очереди строительства для тепличного комбината ООО "Агрокультурагрупп".